Page 1 of 1
Brain jogging
Posted: Mon Jul 22, 2024 10:41 pm
by Franklan
I'd like to introduce a new topic, and I call it "brain jogging".
Well, jogging usually means that one uses muscles that haven't been used in a long time, where - in my book - "brain jogging" means one uses brain cells that haven't been used in a long time...
So, here it is, "stolen" from a German forum. All R are 1Ohm, what is R-total?

- r-total.jpg (99.31 KiB) Viewed 2019 times
[If you're not into electrictrictrictrictric, feel free to ignore this post]
Re: Brain jogging
Posted: Tue Jul 23, 2024 4:27 am
by Robinson100
Not an electric person here mate, but may we assume that you will be posting the answer in the not-too-distant future?
All I remember from school physics is V=IR but I very much doubt that will help find the solution!!!
Good idea, though!!!
Re: Brain jogging
Posted: Tue Jul 23, 2024 7:33 am
by pappnase
That was a pleasant exercise. I thought it through, noted what I expected the answer to be, then went and tested it and I was right.
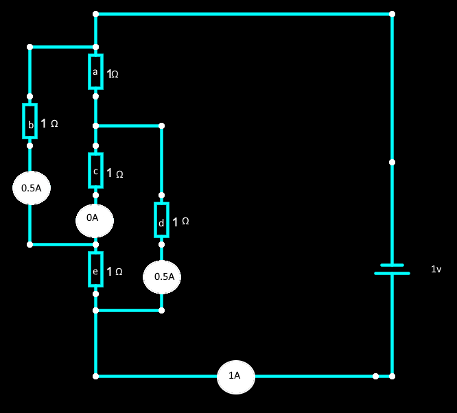
1 ohm

- Circuit.png (16.49 KiB) Viewed 1957 times
If anyone else wants to play simulating simple circuits, there is a
simulator here which can do far more than just simple resistor networks.
Re: Brain jogging
Posted: Tue Jul 23, 2024 8:31 pm
by Franklan
Hint: Grab the resistor in the center of the picture with pliers and turn it 90° clockwise...
Re: Brain jogging
Posted: Tue Jul 23, 2024 8:34 pm
by Fraufruit
Re: Brain jogging
Posted: Tue Jul 23, 2024 10:36 pm
by Franklan
pappnase wrote: ↑Tue Jul 23, 2024 7:33 am
That was a pleasant exercise.
Feel free to keep this thread alive! Any ideas?
Re: Brain jogging
Posted: Tue Jul 23, 2024 10:55 pm
by Franklan
Ah, just for the fun, a little bit of good old fashioned Sudoku, before one goes to bed...

- The hardest Sudoku known to mankind.jpg (41.21 KiB) Viewed 1851 times